BAT54S,BAT54S二極管參數,BAT54S引腳圖,BAT54S中文資料
BAT54S二極管,BAT54S二極管封裝為SOT23,BAT54S的作用,BAT54S絲印KL4
BAT54S二極管,BAT54S二極管封裝為SOT23,BAT54S的作用,BAT54S絲印KL4

BAT54S二極管參數規格書: 點擊查看
BAT54S二極管,SOT-23封裝參數如下:
Maximum repetitive peak reverse voltage VRRM 最大重復峰值反向電壓:30V
Forward Current IF 電流:200mA
Forward voltage IF=50mA VF 壓降:0.8V
Power Dissipation PD 功耗:200mW
Operating junction and storage temperature range TJ,TSTG 工作溫度和存儲溫度范圍:-55to +150℃
Reverse recovery time Trr 時間:5ns
BAT54S二極管,SOT-23封裝尺寸:

BAT54S二極管,SOT-323封裝尺寸:

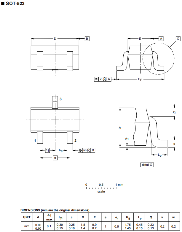
BAT54S二極管,SOT-523封裝尺寸:

〈烜芯微/XXW〉專業制造二極管,三極管,MOS管,橋堆等,20年,工廠直銷省20%,上萬家電路電器生產企業選用,專業的工程師幫您穩定好每一批產品,如果您有遇到什么需要幫助解決的,可以直接聯系下方的聯系號碼或加QQ/微信,由我們的銷售經理給您精準的報價以及產品介紹

BAT54S二極管,SOT-523封裝尺寸:

〈烜芯微/XXW〉專業制造二極管,三極管,MOS管,橋堆等,20年,工廠直銷省20%,上萬家電路電器生產企業選用,專業的工程師幫您穩定好每一批產品,如果您有遇到什么需要幫助解決的,可以直接聯系下方的聯系號碼或加QQ/微信,由我們的銷售經理給您精準的報價以及產品介紹
聯系號碼:18923864027(同微信)
QQ:709211280


