
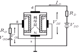
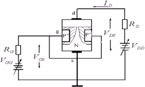
在N區(qū)兩側擴散兩個P+區(qū),形成兩個PN結。兩個P+區(qū)相連,引出柵極g。N體的上下兩端分別引出漏極d和源極s。
導電原理:


(1)VGS=0時,N型棒體導電溝道最寬(N型區(qū))。有了VDS后,溝道中的電流最大。
(2)VGS<0時,耗盡層加寬(主要向溝道一測加寬),并向溝道中間延伸,溝道變窄。
當VGS


加上負VGS電壓和VDS電壓以后,VGD的負壓比VGS大,所以,二個反偏PN結的空間電荷區(qū)變得上寬下窄,使溝道形成楔形。


JFET通過VGS改變半導體內耗盡層厚度(溝道的截面積)控制iD,稱為體內場效應器件;MOSFET主要通過改變襯底表層溝道的厚度來控制iD,稱為表面場效應器件。
JFET的伏安特性(以N溝道JFET為例):伏安特性曲線和電流方程與耗盡型MOSFET相似。但VGS必定要反向偏置。

〈烜芯微/XXW〉專業(yè)制造二極管,三極管,MOS管,橋堆等,20年,工廠直銷省20%,上萬家電路電器生產企業(yè)選用,專業(yè)的工程師幫您穩(wěn)定好每一批產品,如果您有遇到什么需要幫助解決的,可以直接聯(lián)系下方的聯(lián)系號碼或加QQ/微信,由我們的銷售經理給您精準的報價以及產品介紹

〈烜芯微/XXW〉專業(yè)制造二極管,三極管,MOS管,橋堆等,20年,工廠直銷省20%,上萬家電路電器生產企業(yè)選用,專業(yè)的工程師幫您穩(wěn)定好每一批產品,如果您有遇到什么需要幫助解決的,可以直接聯(lián)系下方的聯(lián)系號碼或加QQ/微信,由我們的銷售經理給您精準的報價以及產品介紹
聯(lián)系號碼:18923864027(同微信)
QQ:709211280

