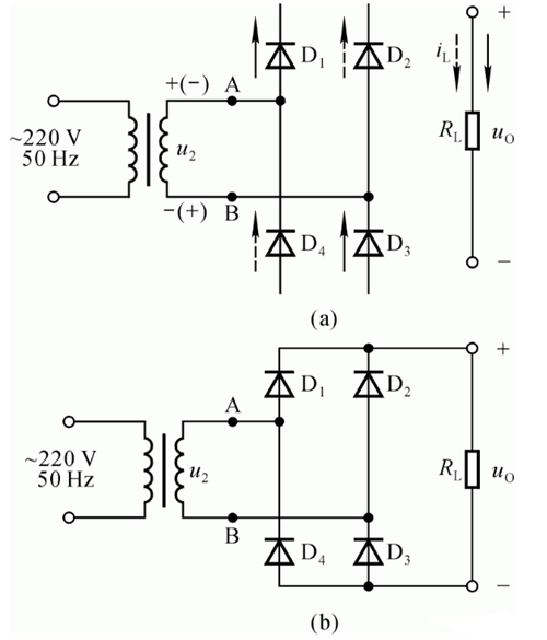
單相橋式整流電路
單相半波整流電路的缺點是只利用了電源的半個周期,同時整流電壓的脈動較大。

圖1,單相橋式整流電路
上圖全波整流電路可以克服這些缺點,其中最常用的是單相橋式整流電路(如上圖b所示),它是由四個二極管接成電橋的形式構成的。

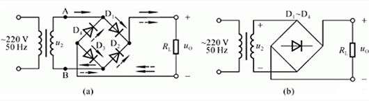
圖2,單相橋式整流電路
上圖(a)所示為單相橋式整流電路中的電流方向,其中實線箭頭表示交流電源處于正半周時的情況,虛線箭頭則為交流電源處于正半周時的情況。
可見,四個二極管分為兩組,正負半周輪流導通,但負載上電流方向不變,此即為全波整流。
上圖為單相橋式整流電路的習慣畫法。在實際應用中,單相橋式整流電路可以用四個獨立的整流二極管實現,也可以用集成器件“橋堆”來實現。
下圖為單相橋式整流電路的波形圖,根據波形圖可知,單相橋式整流電壓的平均值為: Uo ≈ 0.9U2(U2為變壓器副邊輸出電壓的有效值)。


〈烜芯微/XXW〉專業(yè)制造二極管,三極管,MOS管,橋堆等,20年,工廠直銷省20%,上萬家電路電器生產企業(yè)選用,專業(yè)的工程師幫您穩(wěn)定好每一批產品,如果您有遇到什么需要幫助解決的,可以直接聯系下方的聯系號碼或加QQ/微信,由我們的銷售經理給您精準的報價以及產品介紹
聯系號碼:18923864027(同微信)
QQ:709211280

