
傳真:
18923864027
QQ:
709211280
地址:
深圳市福田區振中路84號愛華科研樓7層
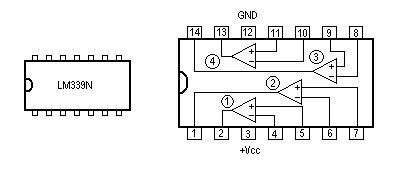
LM339集成,LM339電壓比較器的應用電路LM339集成塊內部裝有四個獨立的電壓比較器,設計用于在通帶內存在輸入信號時提供飽和的晶體管接地。采
LM339和LM339N的區別介紹LM339N是四運放IC,可作信號電壓放大,比較,邏輯運放,還用于保護,LM339是四電壓比較器 主要用在檢測電路和基準
LM339的特點,LM339引腳功能與使用LM339(四路差動比較器)是在電壓比較器芯片內部裝有四個獨立的電壓比較器,是一種常見的集成電路,主要應用
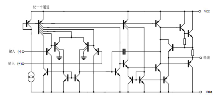
LM324的特點,LM324引腳功能以與參數LM324系列是低成本的四路運算放大器,具有真正的差分輸入。在單電源應用中,它們與標準運算放大器類型相
運算放大器LM324在家用電器中的應用介紹LM324系列由四個獨立的,高增益,內部頻率補償運算放大器,其中專為從單電源供電的電壓范圍經營。從
LM324的正負電源接法與檢測介紹LM324四運放電路具有電源電壓范圍寬,靜態功耗小,可單電源使用,價格低廉等優點,因此被廣泛應用在各種電路
LM324組成的開關電源圖解開關模式電源又稱交換式電源、開關變換器,是一種高頻化電能轉換裝置,是電源供應器的一種。其功能是將一個位準的
基于LM324的電源測試儀設計圖解通用型集成運放LM324內部有四個運放器,利用其中兩個運放器可以制作一個電源測試儀。此測試儀對于工廠生產線
基于LM324電壓比較器的溫凝控制器設計介紹溫凝控制器廣泛應用于電力電子的高低壓配電柜、端子箱、變電站,用于實時檢測環境溫濕度變化,保
LM358的特性和工作原理介紹LM358內部包括有兩個獨立的、高增益、內部頻率補償的雙運算放大器,適合于電源電壓范圍很寬的單電源使用,也適用
基于LM358的聲控延時開關電路設計圖解LM358是將兩個運算放大器集成在一起的集成電路,因此稱為雙運算集成電路。其的封裝形式有塑封8引線雙
采用LM358組成的電路設計解析LM358是一種應用及其廣泛的雙運算放大器,它具有價格低,電壓范圍廣等優勢。本文將介紹由LM358組成的電路設計