
傳真:
18923864027
QQ:
709211280
地址:
深圳市福田區振中路84號愛華科研樓7層
全數字DC-DC變換器解析移相全橋ZVS DC-DC變換器是目前應用最廣泛的軟開關電路之一。作為一種具有優良性能的移相全橋變換器,其兩個橋臂的
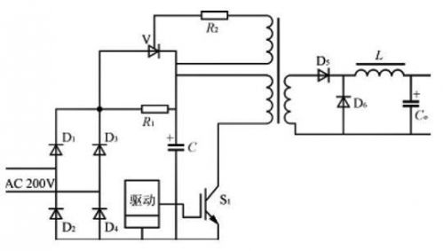
開關電源保護電路的工作原理介紹為使開關電源在惡劣環境及突發故障狀況下安全可靠,提出了幾種實用的保護電路,并對電路的工作原理進行了詳
熱敏電阻中的電流設計分析圖1是典型的電子產品電源部分簡化電路,C1是與負載并聯的濾波電容。在開機上電的瞬間,電容電壓不能突變,因此會
怎么防止浪涌電壓沖擊功率因數控制電路或充電器多數用到直流-直流轉換器或電機變頻器的產品設備必須對市電交流電壓進行整流處理,例如,大
四款直流穩壓電路原理詳解1、穩壓二極管穩壓電路穩壓二極管,又叫齊納二極管,是一種直到臨界反向擊穿電壓前都具有很高電阻的半導體器件。
線性直流穩壓電源的工作原理與電路方案設計介紹線性穩壓電源是指調整管工作在線性狀態下時的直流穩壓電源,它是一種電源變換電路,也是電子
整流橋電路圖分析方法介紹三相整流橋的作用將電源輸入交流轉換直流的環節,是任何用電器正常工作都必不可少的一環,這個過程就叫作--整流。
半波整流,全波整流,全波橋式整流,倍壓整流整流電路也分四種類型。第一種是半波整流,半波整流電路一般情況下只需要一個二極管。詳細的情況
驅動LED的方法介紹LED 技術推動了照明領域的一場革命。結合小型、低功耗、高可靠性和低成本,使得照明可以在不可能用白熾燈或熒光燈技術的
電源效率的定義與測試介紹電源效率的定義:Pout 是輸出功率:Pout = Vo X IoPin 是輸入功率:Pin = Vin X Iin這里 Iin 是電源
PFC與EMI對能效的影響介紹幾乎每個人都意識到需要優化能效,無論是力求在高能源價格時代限制成本的消費者和企業運營商,還是期望滿足日益復
三相整流橋工作原理and三相整流橋電路圖解析三相整流橋工作原理三相整流橋工作原理就是將數個整流管封在一起,構成一個完整的整流電路。當