
傳真:
18923864027
QQ:
709211280
地址:
深圳市福田區振中路84號愛華科研樓7層
電流放大器作用原理,電流放大器電路圖介紹電流放大器是一種電子設備,用于通過預設信號增加輸入信號的電流幅度。簡而言之就是使給定輸入電
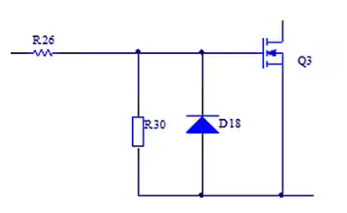
mos管驅動芯片,mos管驅動芯片選型介紹MOS管驅動電路常用的MOS管驅動電路結構如下所示:驅動信號經過圖騰柱放大后,經過一個驅動電阻Rg給mos
機箱散熱風道設計,機箱散熱風道圖介紹在設計風道時,主要是利用熱空氣向上運動的規律,從前往后,從下向上進行布局。通常,CPU散熱器上的風
power mosfet結構電氣符號,電力場效應管介紹電力場效應晶體管,是一種單極型的電壓控制器件,電力場效應管分為結型和絕緣柵型,通常主要指
IGBT與mos管的區別,優缺點介紹MOS管和IGBT都是常見的開關管,常用在開關電源、變頻器、電動汽車等的電路板中。IGBT和MOS管的特性很相似,驅
全橋驅動電路圖,全橋驅動電路原理介紹全橋電路設計分析1 MOS IGBT的柵極引腳部分的電路:簡單來說就是驅動全橋電路就早驅動信號驅動MOS IGBT
有源器件與無源器件介紹常見的電子元件常見的有源元件包括晶體管、集成電路等。有源元器件是電子線路的核心,一切振蕩、放大、調制、解調,
結溫,junction temperature,半導體結溫介紹結溫(Junction Temperature)是電子設備中半導體(晶圓、裸片)的實際工作溫度。它通常較封裝
ac dc電源,acdc電源模塊原理,電路介紹ac dc電源詳解電源是將來自能量源(如供電網)的電流轉換為負載(如電機或電子設備)用電所需的電壓和
門電路符號大全,門電路符號圖介紹常用的門電路在邏輯功能上有與門、或門、非門、與非門、或非門、與或非門、異或門等幾種。邏輯門電路通常
報警電路,蜂鳴器報警電路圖介紹報警電路是一種通過感應到特定的觸發事件(例如入侵、煙霧、火災等),將信號傳遞給報警控制器,觸發報警器
TP4056,TP4056充電模塊,TP4056充電電路圖介紹tp4056充電管理芯片TP4056是一種常用的單節鋰電池恒定電流 恒定電壓線性充電管理芯片,它采用